logo

उत्पादों का विवरण

Created with Pixso. घर Created with Pixso. उत्पादों Created with Pixso.
कम वोल्टेज संरक्षण उपकरण
Created with Pixso.

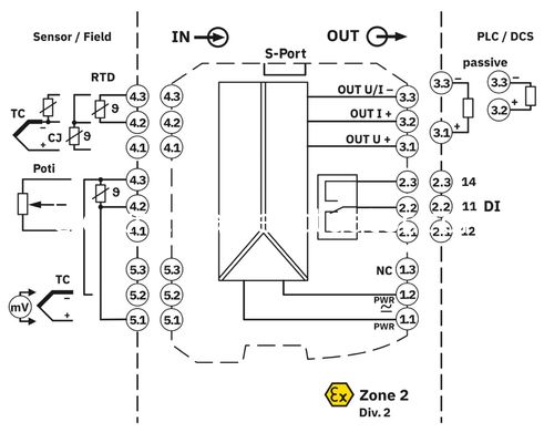
Phoenix MACX MCR-T-UI-UP 2811394 temperature measurement module has high accuracy

Phoenix MACX MCR-T-UI-UP 2811394 temperature measurement module has high accuracy

ब्रांड नाम: Phoenix
मॉडल संख्या: 2811394
एमओक्यू: 1
कीमत: Negotiations
विस्तृत जानकारी
उत्पत्ति के प्लेस:
जर्मनी
अधिकतम स्विचिंग वोल्टेज:
30 वी एसी/डीसी
अधिकतम। स्विचिंग करंट:
1 ए (30 वी डीसी)
अधिकतम. वर्तमान आउटपुट सिग्नल:
22 एमए
लोड/आउटपुट लोड वोल्टेज आउटपुट:
≥ 10 k the
पैकेजिंग विवरण:
नया मूल बॉक्स
प्रमुखता देना:

Phoenix temperature measurement module

,

high accuracy temperature module

,

low voltage protection temperature sensor

उत्पाद का वर्णन
Phoenix MACX MCR-T-UI-UP 2811394 temperature measurement module has high accuracy
Phoenix MACX MCR-T-UI-UP 2811394 temperature measurement module has high accuracy 0
The Phoenix MACX MCR-T-UI-UP (Part No. 2811394) is a high-performance temperature measurement module that stands out for its exceptional accuracy, making it ideal for precision-critical industrial applications. Engineered to deliver reliable temperature detection and signal processing, this module seamlessly integrates with various temperature sensors to convert raw data into stable, industry-standard outputs, ensuring consistent and precise readings even in demanding operating environments. Its compact design and robust build enable easy integration into existing industrial control systems, catering to the needs of process control, manufacturing, and machinery monitoring where accurate temperature measurement is vital for operational efficiency and safety.